
適用范圍
DB-Y2088G型高溫壓力變送器選用耐高溫壓力傳感器作為信號測量元件,被測介質壓力經過變送器上的散熱結構傳遞到傳感器上,高精度的信號處理電路位于鋁合金殼體內,將傳感器輸出信號轉換為標準輸出信號。
整個產品經過了元器件半成品及成品的嚴格測試及老化篩選,性能穩定可靠.適用于工業現場,食品及醫藥設備,發電,機械制造,汽車制造和船舶制造石油化工,冶金制造蒸汽和熱能交換的領域.同時能夠實現現場壓力顯示,零點,滿程可遷移等要求。
主要技術參數
◆量程范圍: -0.1~60Mpa
◆壓力類型:表壓,絕壓
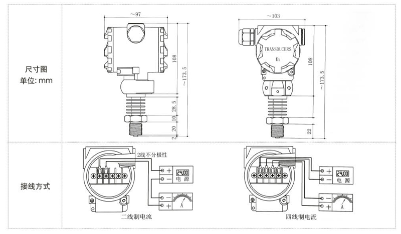
◆供電電源: 24VDC,12VDC
◆輸出信號:4~20mA 1~5V,0~5V
◆補償溫度:-10℃~70℃
◆環境溫度: -20℃~85℃
◆介質溫度: -40℃~300℃
◆零點溫漂:土1.5%FS(Typ)
◆靈敏度溫漂:士1.5%FS(Typ) !
◆過載壓力:150%FS
◆機械振動:20g(20 5000HZ)
◆沖擊:100g(11ms)
◆綜合精度:0.1,0.3,0.5級可選
◆長期穩定性: 0.2%FS/年
◆響應時間:≤1ms(.上升到90%FS)
◆絕緣:100MS /250VDC
◆材質:外殼低銅鋁合金,內部傳感器316L
◆介質兼容:與316L不銹鋼兼容的各種介質
◆防護等級: IP65
特點
◆耐高溫壓力芯片
◆帶換熱片設計,耐高溫適用介質溫度最高可達300C
◆堅固密封良好的鋁合金接線盒,戶外安裝使用
◆提供低壓,中壓,高壓豐富的壓力量程范圍
◆有液晶顯示可選擇
◆傳感器與壓力接口為全焊接結構,抗沖擊,抗振動
◆本安防爆可選
適用范圍
◆工業自動化設備,發電,機械制造,石油化工,冶金制造,蒸汽和熱能交換等領域。
壓力連接

外形尺寸

上一個:DB-Y2088型壓力變送器